柔宇科技被曝拖欠员工工资(柔宇科技欠薪风波久拖未决)
2025-11-18 13:12:07
可控硅调光器应用指南(可控硅的基本工作原理及在调光器中的使用)
可控硅的基本工作原理及在调光器中的使用——可控硅设计经验总结
可控硅元件的结构
不管可控硅的外形如何,它们的管芯都是由P型硅和N型硅组成的四层P1N1P2N2结构。见图1。它有三个PN结(J1、J2、J3),从J1结构的P1层引出阳极A,从N2层引出阴级K,从P2层引出控制极G,所以它是一种四层三端的半导体器件。

可控硅主要参数
1、 额定通态平均电流
在一定条件下,阳极---阴极间可以连续通过的50赫兹正弦半波电流的平均值。
2、 正向阻断峰值电压
在控制极开路未加触发信号,阳极正向电压还未超过导能电压时,可以重复加在可控硅两端的正向峰值电压。可控硅承受的正向电压峰值,不能超过手册给出的这个参数值。
3、 反向阴断峰值电压
当可控硅加反向电压,处于反向关断状态时,可以重复加在可控硅两端的反向峰值电压。使用时,不能超过手册给出的这个参数值。
4、 控制极触发电流
在规定的环境温度下,阳极---阴极间加一定电压,使可控硅从关断状态转为导通状态所需要的最小控制极电流和电压。
5、 维持电流
在规定温度下,控制极断路,维持可控硅导通所必需的最小阳极正向电流。
采用可控硅技术对照明系统进行控制具有:电压调节速度快,精度高,可分时段实时调整,有稳压作用,采用电子元件,相对来说体积小、重量轻、成本低。但该调压方式存在一致命缺陷,由于斩波,使电压无法实现正弦波输出,还会出现大量谐波,形成对电网系统谐波污染,危害极大,不能用在有电容补偿电路中。(现代照明设计要求规定,照明系统中功率因数必须达到0.9以上,而气体放电灯的功率因数在一般在0.5以下,所以都设计用电容补偿功率因数)在国外发达国家,已有明文规定对电气设备谐波含量的限制,在国内,北京、上海、广州等大城市,已对谐波含量超标的设备限制并入电网使用。
可控硅工作原理
在分析可控硅工作原理时,我们经常将这种四层P1N1P2N2结构看作由一个PNP管和NPN管构成,如下图所示。

当阳极A端加上正向电压时,BG1和BG2管均处于放大状态,此时由控制极G端输入正向触发信号,使得BG2管有基极电流ib2通过,经过BG2管的放大后,其集电极电流为ic2=β2ib2。而ic2沿电路流至BG1的基极,故有ib1=ic2,电流又经BG1管的放大作用后,得到BG1的集电极电流为ic1=β1ib1=β1β2ib2。此电流又流回BG2的基极,使得BG2的基极电流ib2增大,从而形成正向反馈使电流剧增,进而使得可控硅饱和并导通。由于在电路中形成了正反馈,所以可控硅一旦导通后无法关断,即使控制极G端的电流消失,可控硅仍能继续维持这种导通的状态。
通过上面对工作原理的分析可知,可控硅只具有导通和关断两种工作状态,那么这两种工作状态之间如何进行转换呢?如下表:

可控硅的应用
可控硅在实际应用中电路花样最多的是其栅极触发回路,概括起来有直流触发电路,交流触发电路,相位触发电路等等。
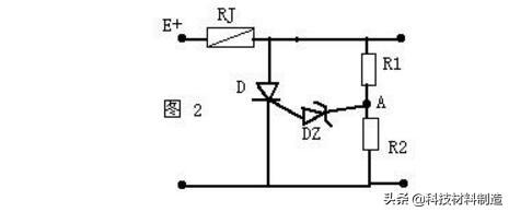
1、直流触发电路
如图2是一个电视机常用的过压保护电路,当E 电压过高时A点电压也变高,当它高于稳压管DZ的稳压值时DZ道通,可控硅D受触发而道通将E 短路,使保险丝RJ熔断,从而起到过压保护的作用。

2、相位触发电路
相位触发电路实际上是交流触发电路的一种,如图3,这个电路的方法是利用RC回路控制触发信号的相位。当R值较少时,RC时间常数较少,触发信号的相移A1较少,因此负载获得较大的电功率;当R值较大时,RC时间常数较大,触发信号的相移A2较大,因此负载获得较少的电功率。这个典型的电功率无级调整电路在日常生活中有很多电气产品中都应用它。

可控硅在调光器中的应用
可控硅调光器是目前舞台照明、环境照明领域的主流设备。
在照明系统中使用的各种调光器实质上就是一个交流调压器,老式的变压器和变阻器调光是采用调节电压或电流的幅度来实现的,如下图所示。u1是未经调压的220V交流电的波形,经调压后的电压波形为u2,由于其幅度小于u1,使灯光变暗。在这种调光模式中,虽然改变了正弦交流电的幅值,但并未改变其正弦波形的本质。

与变压器、电阻器相比,可控硅调光器有着完全不同的调光机理,它是采用相位控制方法来实现调压或调光的。对于普通反向阻断型可控硅,其闸流特性表现为当可控硅加上正向阳极电压的同时又加上适当的正向控制电压时,可控硅就导通;这一导通即使在撤去门极控制电压后仍将维持,一直到加上反向阳极电压或阳极电流小于可控硅自身的维持电流后才关断。普通的可控硅调光器就是利用可控硅的这一特性实现前沿触发相控调压的。在正弦波交流电过零后的某一时刻t1(或某一相位角wt1),在可控硅控制极上加一触发脉冲,使可控硅导通,根据前面介绍过的可控硅开关特性,这一导通将维持到正弦波正半周结束。因此在正弦波的正半周(即0~p区间)中,0~wt1范围可控硅不导通,这一范围称为控制角,常用a表示;而在wt1~p间可控硅导通,这一范围称为导通角,常用j表示。同理在正弦波交流电的负半周,对处于反向联接的另一个可控硅(对两个单向可控硅反并联或双向可控硅而言)在t2时刻(即相位角wt2)施加触发脉冲,使其导通。如此周而复始,对正弦波每半个周期控制其导通,获得相同的导通角。如改变触发脉冲的施加时间(或相位),即改变了导通角j(或控制角a)的大小。导通角越大调光器输出的电压越高,灯就越亮。从上述可控硅调光原理可知,调光器输出的电压波形已经不再是正弦波了,除非调光器处在全导通状态,即导通角为180°(或p)。正是由于正弦波被切割、波形遭受破坏,会给电网带来干扰等问题……
好的调光设备应采取必要措施,努力降低使用可控硅技术后产生的干扰。
可控硅调光器的使用要点
第一、运行环境因素是这类调光设备关键的影响因素,在选购、安装之前大家需要将这类设备的安装环境进行测里,并且良好相应的电力指标问题,必须确保所选购的调光器设备在这方面可以告诉满足于自己的日常需求。
第二、避免将可控硅周光器安装在朝湿、阳光直射的地方。并且在连接过程当中,大家最好采用原厂家所提供的电源线,否则可能因为电流输送的不稳定,导致了设备出现故障问题。
第三、针对这类设备的安装操作,大家必须进行换位思考,从日后的使用以及维修保养角度来考虑,确保能够让日后的相关操作得到便捷的进行。
第四、在使用过程当中避免调光器四周存在热源、水源,更加需要做好相应的防腐、防潮措施。不管是安装还是使用,操作人员都应该提前熟读说明书,这样在充分了解这款型号的调光器之下进行使用。
第五、坚持做好可控硅调光器和运行安装环境的双重清洁卫生打扫,防尘措施的采取,也可以使得这类调光器的性能发挥更加出色。
第六、在运行这样的调光设备时,如果发现任何异常现象或是故障问题的产生,必须要第- -时 间通知原厂家的维修人员,千万不要私自拆开调
光设备进行维修,否则可能造成更大的故障,导致调光器直接报废。
第七、根据这类设备的使用情况,制定完善有效的维护保养方案,定期利用专业的检则设备为调光装置故好检测。
这两年来,LED产业的快速发展,使得可控硅调光器等产品的市场需求里也逐步增加。希望通过上面的简单介绍,可以帮助大家更好的了解关于这类调光设备在安装与使用过程当中的基本注意事项。
可控硅设计十条黄金规则
1.为了导通闸流管(或双向可控硅),必须有门极电流≧IGT ,直至负载电流达到≧IL 。这条件必须满足,并按可能遇到的最低温度考虑;
2.要断开(切换)闸流管(或双向可控硅),负载电流必须《IH, 并维持足够长的时间,使能回复至截止状态。在可能的最高运行温度下必须满足上述条件。;
3. 设计双向可控硅触发电路时,只要有可能,就要避开3 象限(WT2-, );
4. 为减少杂波吸收,门极连线长度降至最低。返回线直接连至MT1(或阴极)。若用硬线,用螺旋双线或屏蔽线。门极和MT1 间加电阻1kΩ或更小。高频旁路电容和门极间串接电阻。另一解决办法,选用H 系列低灵敏度双向可控硅;
5. 若dVD/dt 或dVCOM/dt 可能引起问题,在MT1 和MT2 间加入RC 缓冲电路。若高dICOM/dt 可能引起问题,加入一几mH 的电感和负载串联。另一种解决办法,采用Hi-Com 双向可控硅;
6. 假如双向可控硅的VDRM 在严重的、异常的电源瞬间过程中有可能被超出,采用下列措施之一: 负载上串联电感量为几μH 的不饱和电感,以限制dIT/dt; 用MOV 跨接于电源,并在电源侧增加滤波电路;
7. 选用好的门极触发电路,避开3 象限工况,可以最大限度提高双向可控硅的dIT/dt 承受能力;
8. 若双向可控硅的dIT/dt 有可能被超出,负载上最好串联一个几μH 的无铁芯电感或负温度系数的热敏电阻。另一种解决办法:对电阻性负载采用零电压导通;
9. 器件固定到散热器时,避免让双向可控硅受到应力。固定,然后焊接引线。不要把铆钉芯轴放在器件接口片一侧。;
10.为了长期可靠工作,应保证Rth j-a 足够低,维持Tj 不高于Tjmax ,其值相应于可能的最高环境温度。
,
2025-11-18 13:12:07
2025-11-18 13:10:04
2025-11-18 13:08:01
2025-11-18 13:05:59
2025-11-18 13:03:56
2025-11-18 13:01:52
2024-06-07 12:23:08
2024-06-07 12:21:05
2024-06-07 12:19:02
2024-06-07 12:17:00
2024-06-07 12:14:57
2024-06-07 12:12:54
2024-06-07 12:10:51
2024-06-07 12:08:48
2024-06-07 12:06:45
2024-06-07 12:04:43
2024-06-07 12:02:39
2024-06-07 12:00:36
2024-06-07 11:58:33
2024-06-07 11:56:31